info@tdtransmet.ru
Категория: Рудничные рельсы

Рудничные рельсы Р-33

В наличии на складе Цена по запросу
Отправить запрос
Тип:Новый
Новый Б/У СГ
Тип рельсаР-33
Вид, назначениежелезнодорожные, рудничные
Состояниеновые, б/у
Длина8000 мм
Ширина110 мм
Высота128 мм
Ширина головки60 мм
Толщина шейки12 мм
Высота шейки71 мм
Высота пера подошвы12 мм
Мерная длина8 м
НЕмерная длина6-12,5 м
Вес метра33,57 кг
Метров в 1 тонне29,78 м
Масса рельса длинной 8 метров268 кг
ГOCT, TУTУ 14-2P-383-2004
Материалуглеродистая сталь
Единица измерениятонна

Среднее время доставки по Свердловской области: 7-10 дней

Наши логисты свяжутся с вами для уточнения деталей доставки

Фасонный металлопрокат в виде железнодорожных рельс Р33 чаще всего востребован предприятиями горнодобывающей промышленности, нуждающимися в транспортных линиях для перемещения груженых вагонеток и тележек. Данный элемент верхнего строения ж/д путей используется совместно со шпалами и подкладками, монтируемыми на специально подготовленный балластный слой. Мы продаем железнодорожные рельсы Р33 в Пензе, осуществляя поставку нового рельсового проката, не имеющего износа и брака, что подтверждено результатами визуальной и ультразвуковой проверки, а также соответствующими документами.

Госстандарт на железнодорожный рельс Р33: параметры и характеристики

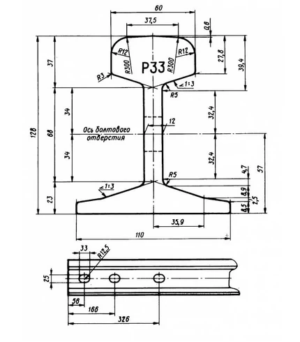
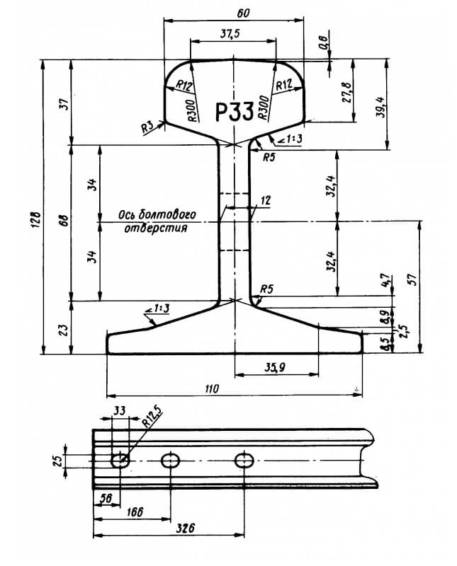
Рельсовый металлопрокат типа Р33 производится в соответствии с ТУ 14-2Р-383-2004, который определяет изделие как рельс рудничный для шахтных проводников, укладываемый на деревянные шпалы. Высота прокатного изделия составляет 128 мм., ширина подошвы 110 мм., толщина шейки 12 мм., ширина головки 60 мм. Железнодорожный рельс Р33 отпускается клиентам в зависимости от тоннажа приобретаемой партии проката, принимая во внимание, что вес одного погонного метра равен 33,42 кг. Наиболее распространенная мерная длина фасонного металлопроката Р33 – 8 метров, что эквивалентно 267,36 кг. При необходимости у нас можно заказать изделия немерной длины – от 6 метров, а также выполнить любую дополнительную обработку изделия (сверление, резку и пр.)

Пример расшифровки обозначения рельс Р33-ПП-8.0 без отверстий ТУ 14-2Р-383-2004:

  • тип/марка рельса;
  • ПП-категория стали повышенной прочности содержание углерода 0,50–0,59%;
  • мерная длина в метрах;
  • без отверстий-не имеет болтовых отверстий.

Чертеж/схема рельса типа Р-33

чертеж железнодорожных рудничных рельс Р-33

ТД Трансмет – рельсовый металлопрокат по выгодной цене в Пензе

Заказывая большую партию рудничных рельс, покупатели всегда рассчитывают на скидку. Мы предлагаем договорные цены всем без исключения клиентам, поэтому реализуем прокат по самой выгодной цене в Пензе. Такие же низкие расценки представлены в прайсе на доставку и обработку материала, а при необходимости наша компания готова посодействовать в выполнении монтажных работ на объекте заказчика. Покупайте рельсы Р33 выгодно и экономьте на приобретении элементов верхнего строения ж/д путей, независимо от объема приобретаемой партии!

Оплата и доставка продукции

Мы предлагаем свои услуги по доставке различных грузов для железных дорог, включая железнодорожные рельсы, шпалы и другие строительные материалы.

Мы обладаем собственным транспортом, который позволяет нам осуществлять доставку грузов быстро, качественно и в срок. Наша компания осуществляет доставку продукции по всей территории России и ближнего зарубежья.

Варианты доставки

  • Доставка автотранспортом по РФ.
  • Доставка железнодорожным составом.
  • Отправка ТК по запросу. Мы сотрудничаем со всеми сертифицированными транспортными компаниями.

Наша компания заботится о комфорте и безопасности клиентов, поэтому мы предлагаем различные виды транспорта для доставки. Не важно, нужно ли вам доставить грузы на большой расстояние или через город, мы предоставим вам наилучшее решение для вашего бизнеса.

624002, Россия, Свердловская область, г. Арамиль, ул. Гарнизон, 3В